Gallery
>
Sailing
<< Previous
|
Next >>
Category:
State:
Location:
Caption:
Description:
Sailing image
Discussed in these Forum posts:
Sailing
>
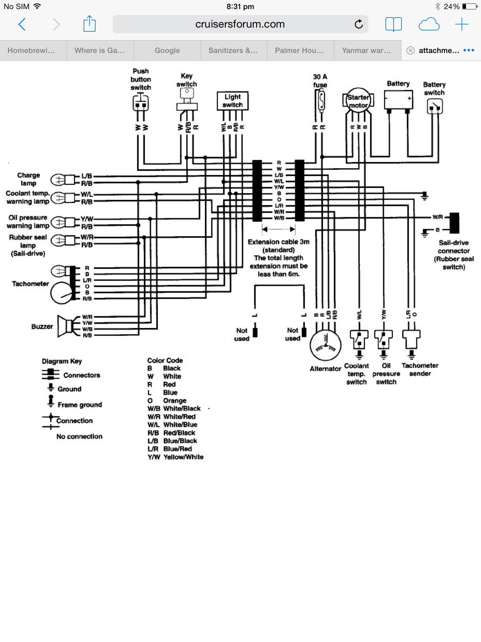
Yanmar warning beeper chirping
sydchris
sydchris
FreeRadical
FreeRadical
FreeRadical
FreeRadical
oldboyracer
oldboyracer
LittleBoris
LittleBoris
LittleBoris
TKNick
Search:
the gallery
sailing
Charriot
Jun 2014
Sydney Weather
Melbourne Weather
Brisbane Weather
Perth Weather
Adelaide Weather
Darwin Weather
Hobart Weather
Kitesurfing
Windsurfing
Stand Up Paddle
Surfing
Boating
Sailing
Fishing
Contact Us (Support/Help)
Terms Of Use
Privacy Policy
iPhone App
Android App
About
Copyright © 1997-2026 Seabreeze.com.au - All Rights Reserved.