Gallery
>
Sailing
<< Previous
|
Next >>
Category:
State:
Location:
Caption:
Description:
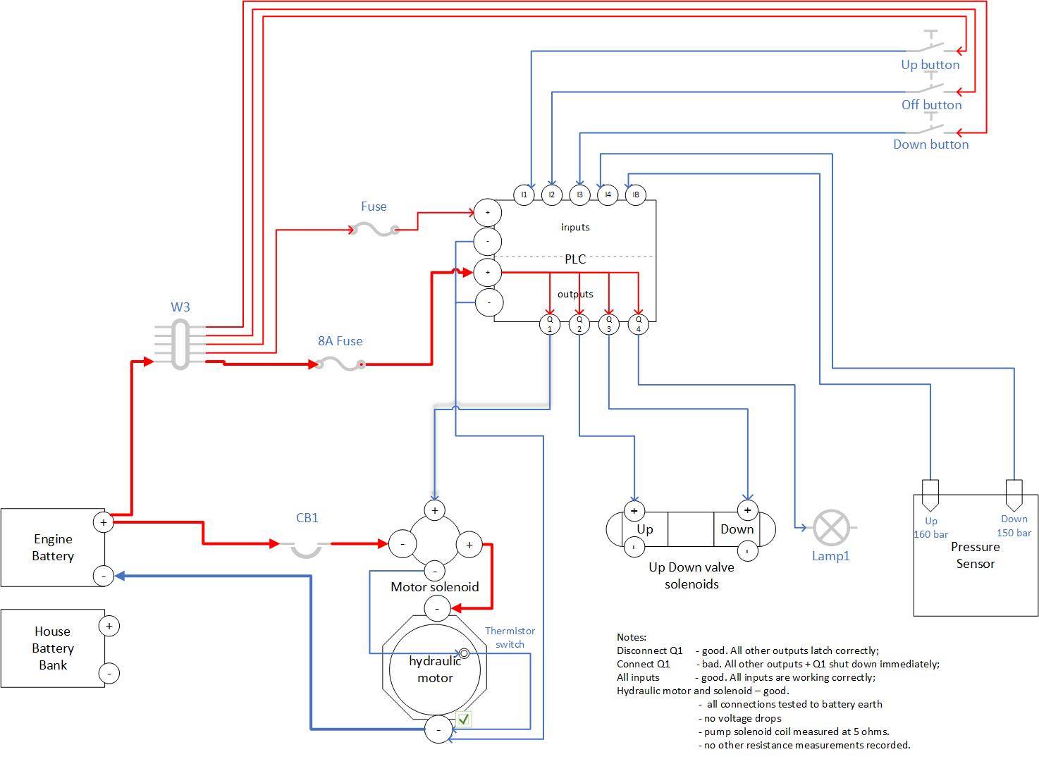
PogoElectricalKeelOperationdiagram
Discussed in these Forum posts:
Sailing
>
What did you do to your sailing boat today ?
HG02
HG02
FreeRadical
FreeRadical
FreeRadical
stupid
HG02
spiggie
spiggie
HG02
HG02
LALancer
Search:
the gallery
sailing
shaggybaxter
May 2020
Sydney Weather
Melbourne Weather
Brisbane Weather
Perth Weather
Adelaide Weather
Darwin Weather
Hobart Weather
Kitesurfing
Windsurfing
Stand Up Paddle
Surfing
Boating
Sailing
Fishing
Contact Us (Support/Help)
Terms Of Use
Privacy Policy
iPhone App
Android App
About
Copyright © 1997-2026 Seabreeze.com.au - All Rights Reserved.