Gallery
>
Sailing
<< Previous
|
Next >>
Category:
State:
Location:
Caption:
Description:
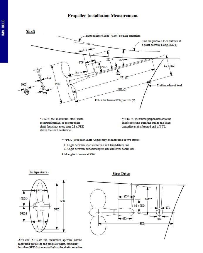
Sailing IMS (2015) Rule - prop data
Discussed in these Forum posts:
Sailing
>
Currawong 30 prop question
frant
Jabberwock
HG02
andy59
pumpnjump
pumpnjump
pumpnjump
pumpnjump
pumpnjump
MaxusSoloAroud
MaxusSoloAroud
MaxusSoloAroud
Search:
the gallery
sailing
sydchris
May 2017
Sydney Weather
Melbourne Weather
Brisbane Weather
Perth Weather
Adelaide Weather
Darwin Weather
Hobart Weather
Kitesurfing
Windsurfing
Stand Up Paddle
Surfing
Boating
Sailing
Fishing
Contact Us (Support/Help)
Terms Of Use
Privacy Policy
iPhone App
Android App
About
Copyright © 1997-2026 Seabreeze.com.au - All Rights Reserved.