Gallery
>
Sailing
<< Previous
|
Next >>
Category:
State:
Location:
Caption:
Description:
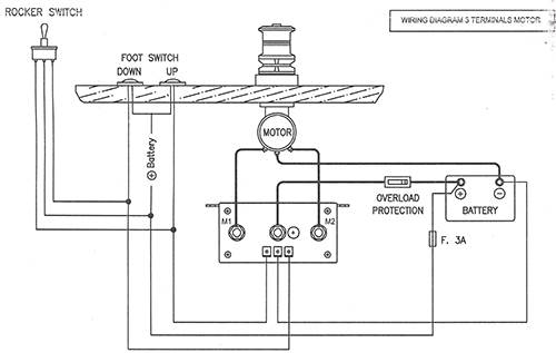
Sailing 3 TERMINAL WIRING DIAGRAM
Discussed in these Forum posts:
Sailing
>
Electric Anchor Winch Wiring
southace
Gravy7
Gravy7
Gravy7
Ilenart
Ilenart
Ilenart
Ilenart
Ilenart
Ilenart
Ilenart
FelixdeCat
Search:
the gallery
sailing
HG02
Jan 2016
Sydney Weather
Melbourne Weather
Brisbane Weather
Perth Weather
Adelaide Weather
Darwin Weather
Hobart Weather
Kitesurfing
Windsurfing
Stand Up Paddle
Surfing
Boating
Sailing
Fishing
Contact Us (Support/Help)
Terms Of Use
Privacy Policy
iPhone App
Android App
About
Copyright © 1997-2026 Seabreeze.com.au - All Rights Reserved.